WSJ蝸輪蝸桿減速機

WSJ蝸輪蝸桿減速機為一級傳動的漸開線圓柱蝸桿減速機。蝸桿轉速不超過1500r/min,工作環境溫度為-40℃~+40℃,蝸桿可正反轉,該蝸輪減速機具有自鎖性,主要用于礦山、冶金、水泥、建筑等各機械設備的減速傳動。
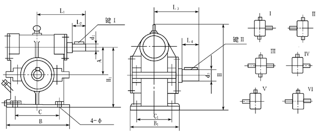
WSJ蝸輪減速機安裝形式:蝸桿在蝸輪之個的蝸輪減速機
WSJ外形尺寸、安裝尺寸及裝配型式

上一篇: WXJ120蝸輪蝸桿減速機
下一篇: WCJ蝸輪減速機

WSJ蝸輪蝸桿減速機為一級傳動的漸開線圓柱蝸桿減速機。蝸桿轉速不超過1500r/min,工作環境溫度為-40℃~+40℃,蝸桿可正反轉,該蝸輪減速機具有自鎖性,主要用于礦山、冶金、水泥、建筑等各機械設備的減速傳動。
WSJ蝸輪減速機安裝形式:蝸桿在蝸輪之個的蝸輪減速機
WSJ外形尺寸、安裝尺寸及裝配型式

